لقد أنشأت Weipeng® نفسها كمفاتيح صغيرة من الدرجة الأولى لمصنع ومورد للأجهزة المنزلية في الصين ، مما يوفر حلولًا عالية الجودة للتبديل الدقيق لسنوات عديدة. يمكنك أن تطمئن لشراء مفتاح Micro مخصص منا.
مقدمة المنتج
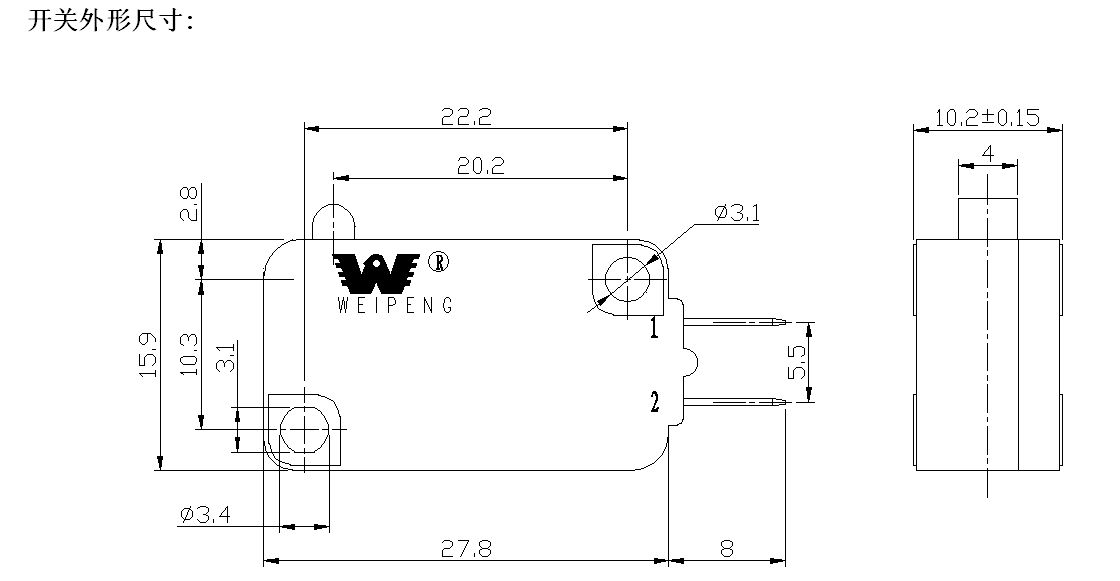
معلمة المنتج (المواصفات)
| تبديل الخصائص الفنية: | |||
| غرض | المعلمة الفنية | قيمة | |
| 1 | التصنيف الكهربائي | 3A 250VAC | |
| 2 | مقاومة الاتصال | ≤50MΩ القيمة الأولية | |
| 3 | مقاومة العزل | ≥100mΩ (500VDC) | |
| 4 |
عازل الجهد االكهربى |
بين المحطات غير المتصلة |
500V/0.5MA/60S |
| بين المحطات والإطار المعدني |
1500V/0.5MA/60S | ||
| 5 | الحياة الكهربائية | ≥10000 دورات | |
| 6 | الحياة الميكانيكية | ≥100000 دورات | |
| 7 | درجة حرارة التشغيل | 0 ~ 105 ℃ | |
| 8 | تردد التشغيل | الكهربائية: 15 دورة الميكانيكية: 60 دورة |
|
| 9 | إثبات الاهتزاز | تردد الاهتزاز: 10 ~ 55Hz ؛ السعة: 1.5mm ؛ ثلاثة اتجاهات: 1H |
|
| 10 | قدرة اللحام: أكثر من 80 ٪ من الأجزاء المنغمس يجب تغطية لحام |
درجة حرارة اللحام: 235 ± 5 ℃ الوقت الغمر: 2 ~ 3S |
|
| 11 | لحام مقاومة الحرارة | الانخفاض لحام: 260 ± 5 ℃ 5 ± 1S لحام يدوي: 300 ± 5 ℃ 2 ~ 3S |
|
| 12 | موافقات السلامة | ul 、 csa 、 vde 、 enec 、 tuv 、 ce 、 kc 、 cqc | |
| 13 | شروط الاختبار | درجة الحرارة المحيطة: 20 ± 5 ℃ الرطوبة النسبية: 65 ± 5 ٪ RH ضغط الهواء: 86 ~ 106kpa |
|
ميزة المنتج والتطبيق
تفاصيل المنتج


