الحد الأقصى للضغط الذاتي هو مكون التحكم التلقائي الذي يتم تشغيله بواسطة الحركة الميكانيكية. تتمثل وظيفتها الأساسية في اكتشاف الإزاحة أو السكتة الدماغية للكائن لتحقيق فتح وإغلاق الدوائر ، أو بدء ووقف المعدات ، أو الحد من الحماية. إنه "حارس سلامة" و "قائد عمل" لا غنى عنه في الأتمتة الصناعية والمعدات الكهروميكانيكية.
يُحوّل مقدمةuction
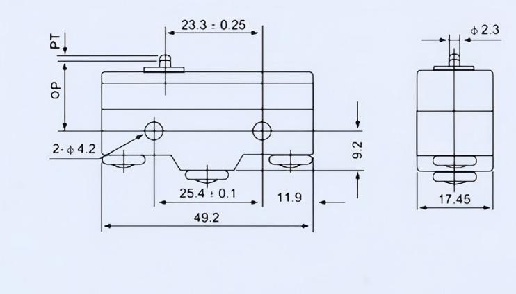
مفتاح السفر (المعروف أيضًا باسم مفتاح الحد) هو مكون تحكم تلقائي ناتج عن الحركة الميكانيكية. تتمثل وظيفتها الأساسية في اكتشاف الإزاحة أو السكتة الدماغية للكائن لتحقيق فتح وإغلاق الدوائر ، أو بدء ووقف المعدات ، أو الحد من الحماية. إنه "حارس سلامة" و "قائد عمل" لا غنى عنه في الأتمتة الصناعية والمعدات الكهروميكانيكية.
يُحوّل التطبيقنشوئها
تم تجهيز آلية رفع منصة القطع في الحصاد الجمع بمفتاح سفر يضع "ارتفاع العمل الأدنى" و "ارتفاع النقل" لمنصة القطع. أثناء الحصاد ، إذا كانت منصة القطع تنحدر منخفضًا جدًا (بالقرب من الأرض ، وربما تجريد التربة) ، يتم تشغيل المفتاح للتحكم في النظام الهيدروليكي لرفع منصة القطع ؛ أثناء النقل ، عندما ترتفع منصة القطع إلى أعلى موضع ، يتم تشغيل المفتاح لقفل ارتفاع منصة القطع ، ومنع الهز أثناء القيادة. في صندوق البذور في البذور ، يكتشف مفتاح السفر مستوى البذور. عندما تكون البذور على وشك أن تنفد ، يؤدي المفتاح إلى تشغيل جهاز إنذار لتذكير المشغل بإضافة البذور ، ومنع الزراعة الفائتة.
يُحوّل تفاصيل
