يحتوي زر نوع عمود التوصيل على مفتاح Micro Micro في الأجزاء التلقائية على فاصل اتصال صغير وآلية عمل سريعة ، وآلية التلامس لتبديل الإجراء مع السكتة الدماغية المحددة والقوة مغطاة بالقشرة ، وهناك ناقل حركة من الخارج ، والشكل صغير.
منتج مقدمةuction
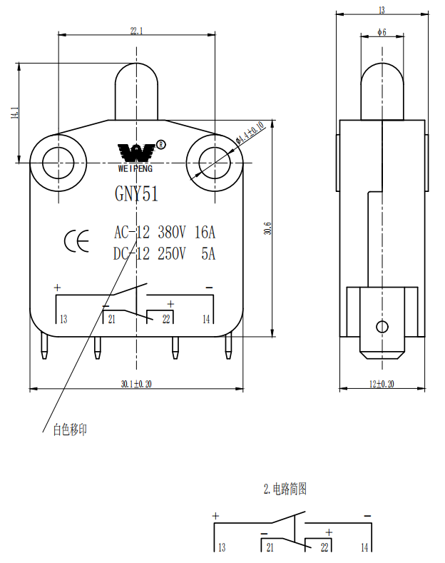
المفاتيح الدقيقة للضغط الدقيق هي مكون إلكتروني شائع يستخدم للتحكم في حالة تشغيل الدائرة وإيقافها. يتكون عادة من زر ومفتاح يغير الحالة عند الضغط على الزر.
يمكن أن تستخدم مفاتيح زر الضغط تأثير وميض ، عندما يتم الضغط على الزر ، سيتم يومض الزر لجذب انتباه المستخدم.
منتج التطبيقنشوئها والمواصفات
يمكن استخدام مفاتيح الزر نوع عمود التوصيل للتحكم في الضوء ، عند الضغط على الزر ، سيتم تشغيل أو إيقاف تشغيل الضوء. يمكن أيضًا استخدامه للتحكم في مفتاح المعدات الكهربائية ، ومكيف الهواء ، وما إلى ذلك. في الحقل الصناعي ، تستخدم مفاتيح زر الضغط على نطاق واسع للتحكم في بداية ووقف المعدات الميكانيكية. سواء كانت المعيشية أو الصناعية أو السيارات أو المعدات الإلكترونية ، فإنها لا تنفصل عن مكون التحكم البسيط هذا.
| تبديل الخصائص الفنية: | |||
| غرض | المعلمة الفنية | قيمة | |
| 1 | التصنيف الكهربائي | 16A 250VAC | |
| 2 | مقاومة الاتصال | ≤50MΩ القيمة الأولية | |
| 3 | مقاومة العزل | ≥100mΩ (500VDC) | |
| 4 |
عازل الجهد االكهربى |
بين المحطات غير المتصلة |
500V/0.5MA/60S |
| بين المحطات والإطار المعدني |
1500V/0.5MA/60S | ||
| 5 | الحياة الكهربائية | ≥50000 دورات | |
| 6 | الحياة الميكانيكية | ≥100000 دورات | |
| 7 | درجة حرارة التشغيل | -25 ~ 125 ℃ | |
| 8 | تردد التشغيل | الكهربائية: 15 دورة الميكانيكية: 60 دورة |
|
| 9 | إثبات الاهتزاز | تردد الاهتزاز: 10 ~ 55Hz ؛ السعة: 1.5mm ؛ ثلاثة اتجاهات: 1H |
|
| 10 | قدرة اللحام: أكثر من 80 ٪ من الأجزاء المنغمس يجب تغطية لحام |
درجة حرارة اللحام: 235 ± 5 ℃ الوقت الغمر: 2 ~ 3S |
|
| 11 | لحام مقاومة الحرارة | الانخفاض لحام: 260 ± 5 ℃ 5 ± 1S لحام يدوي: 300 ± 5 ℃ 2 ~ 3S |
|
| 12 | موافقات السلامة | ul 、 csa 、 tuv 、 cqc 、 ce | |
| 13 | شروط الاختبار | درجة الحرارة المحيطة: 20 ± 5 ℃ الرطوبة النسبية: 65 ± 5 ٪ RH ضغط الهواء: 86 ~ 106kpa |
|
منتج تفاصيل


