باعتباره النموذج القياسي لسلسلة المفاتيح الصغيرة الخاصة بمصنع Yueqing Tongda Wire Electric Factory، فإن المفتاح الصغير ذو رافعة المكونات الإلكترونية المفتوحة عادةً يتميز بـ "الحساسية العالية، والعمر الطويل للغاية، والقدرة على التكيف متعدد السيناريوهات" كمزايا أساسية. من خلال دمج خبرة الشركة البالغة 35 عامًا في تصنيع المفاتيح، فقد أصبحت عنصر تحكم رئيسي في الأجهزة المنزلية وإلكترونيات السيارات والأتمتة الصناعية وغيرها من المجالات، وذلك بفضل الحد الأدنى من فجوة الاتصال وآلية العمل السريع. لقد تم اعتماد أدائها وموثوقيتها من قبل العديد من المنظمات الموثوقة في جميع أنحاء العالم، مما يضمن مكانتها السائدة في السوق المتخصصة.
مقدمة التبديل الجزئي
توفر سلسلة HK-14 خيارات تخصيص مرنة للغاية لتلبية متطلبات التطبيقات المتنوعة. يمكن تخصيص قوة التشغيل (أقل من 5.0 نيوتن في الحالة الخالية من الرافعة، معيار 30±15 gf)، مع نطاق شوط تشغيل يتراوح من 0.6 إلى 1.5 مم، وهو مناسب لسيناريوهات قوة الزناد والإزاحة المختلفة. أنماط الرافعات قابلة للتخصيص، بما في ذلك الرافعات المستقيمة والمثنية والأسطوانة، والتي يمكن أن تتطابق مع هياكل النقل الميكانيكية المختلفة. تغطي نماذج الاتصال النطاق الكامل لـ SPDT (1NO 1NC)، وNO، وNC.
معلمة التبديل الجزئي (المواصفات)
| تبديل الخصائص التقنية: | |||
| غرض | المعلمة التقنية | قيمة | |
| 1 | التقييم الكهربائي | 5(2)أ/10أ/16(3)أ/21(8)أ 250 فولت تيار متردد | |
| 2 | اتصل بالمقاومة | ≥30mΩ القيمة الأولية | |
| 3 | مقاومة العزل | ≥100MΩ (500VDC) | |
| 4 |
عازل الجهد االكهربى |
بين محطات غير متصلة |
1000 فولت/0.5 مللي أمبير/60 ثانية |
|
بين المحطات والإطار المعدني |
3000 فولت/0.5 مللي أمبير/60 ثانية | ||
| 5 | الحياة الكهربائية | ≥50000 دورات | |
| 6 | الحياة الميكانيكية | ≥1000000 دورات | |
| 7 | درجة حرارة التشغيل | -25 ~ 125 درجة مئوية | |
| 8 | تردد التشغيل |
الكهربائية: 15 دورة ميكانيكية: 60 دورة |
|
| 9 | دليل على الاهتزاز |
تردد الاهتزاز: 10~55 هرتز؛ السعة: 1.5 مم؛ ثلاثة اتجاهات: 1H |
|
| 10 |
قدرة اللحام : أكثر من 80% من الجزء المغمور يجب أن تكون مغطاة لحام |
درجة حرارة اللحام: 235 ± 5 درجة مئوية وقت الغمر: 2~3S |
|
| 11 | مقاومة حرارة اللحام |
لحام الغمس: 260±5°C 5±1S اللحام اليدوي: 300±5°C 2~3S |
|
| 12 | موافقات السلامة | UL، CSA، VDE، ENEC، TUV، CE، KC، CQC | |
| 13 | شروط الاختبار |
درجة الحرارة المحيطة: 20±5 درجة مئوية الرطوبة النسبية: 65±5% ر ضغط الهواء: 86 ~ 106 كيلو باسكال |
|
ميزة وتطبيق Micro Switch
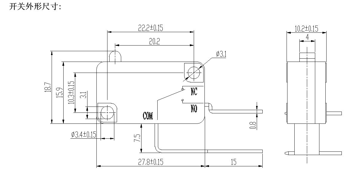
تفاصيل التبديل الجزئي
