باعتباره النموذج القياسي لسلسلة المفاتيح الدقيقة لمصنع Yueqing Tongda Wire Electric Factory، يتميز المفتاح الصغير لفرن الميكروويف والغسالة بـ "الحساسية العالية، والعمر الطويل للغاية، والقدرة على التكيف متعدد السيناريوهات" كمزايا أساسية. من خلال دمج خبرة الشركة البالغة 35 عامًا في تصنيع المفاتيح، فقد أصبحت عنصر تحكم رئيسي في الأجهزة المنزلية وإلكترونيات السيارات والأتمتة الصناعية وغيرها من المجالات، وذلك بفضل الحد الأدنى من فجوة الاتصال وآلية العمل السريع. لقد تم اعتماد أدائها وموثوقيتها من قبل العديد من المنظمات الموثوقة في جميع أنحاء العالم، مما يضمن مكانتها السائدة في السوق المتخصصة.
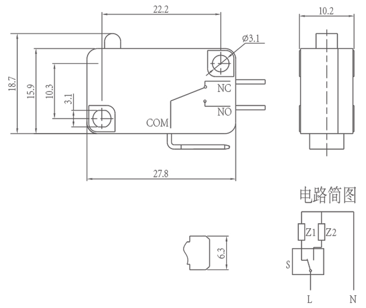
مقدمة التبديل الجزئي
حصل المنتج على شهادات السلامة العالمية الرئيسية بما في ذلك UL، وC-UL، وENEC، وVDE، وCE، وCB، وTUV، وCQC، وKC، ويتوافق مع معيار IEC 61058، ويلبي متطلبات الوصول إلى الأسواق في مناطق مثل أوروبا وأمريكا وآسيا والمحيط الهادئ. حصلت الشركة على شهادتي نظام إدارة الجودة ISO9001 وIATF 16949 وتنفذ بصرامة التوجيهات البيئية RoHS وREACH، مما يضمن التحكم الدقيق طوال عملية الإنتاج بأكملها. مع 6 براءات اختراع وطنية و48 براءة اختراع لنماذج المنفعة، تحقق سلسلة HK-14 مستويات رائدة في الصناعة من الموثوقية والاتساق.
إرشادات التثبيت والاستخدام
عند التثبيت، يجب تثبيت المفتاح على سطح مستو وتثبيته بغسالة مسطحة أو غسالة زنبركية لمنع حدوث أي خلل أو تلف الغلاف الناتج عن الأسطح غير المستوية. اختر الطرازات بناءً على البيئة: بالنسبة للظروف الرطبة أو المتربة، يوصى باستخدام نسخة مخصصة مختومة لتعزيز الحماية. لا تضع زيت تشحيم على الزر أو المشغل لمنع التصاق التلامس أو الفشل الوظيفي أو حتى الإرهاق. أثناء التخزين، احتفظ بالمنتج في منطقة جافة وجيدة التهوية، ومحميًا من المطر أو الثلج، وتجنب ارتفاع درجة الحرارة والرطوبة التي قد تسبب تقادم المكونات، مما يضمن احتفاظ المنتج بأدائه الأصلي.
معلمة التبديل الجزئي (المواصفات)
| تبديل الخصائص التقنية: | |||
| غرض | المعلمة التقنية | قيمة | |
| 1 | التقييم الكهربائي | 5(2)أ/10أ/16(3)أ/21(8)أ 250 فولت تيار متردد | |
| 2 | اتصل بالمقاومة | ≥30mΩ القيمة الأولية | |
| 3 | مقاومة العزل | ≥100MΩ (500VDC) | |
| 4 |
عازل الجهد االكهربى |
بين محطات غير متصلة |
1000 فولت/0.5 مللي أمبير/60 ثانية |
|
بين المحطات والإطار المعدني |
3000 فولت/0.5 مللي أمبير/60 ثانية | ||
| 5 | الحياة الكهربائية | ≥50000 دورات | |
| 6 | الحياة الميكانيكية | ≥1000000 دورات | |
| 7 | درجة حرارة التشغيل | -25 ~ 125 درجة مئوية | |
| 8 | تردد التشغيل |
الكهربائية: 15 دورة ميكانيكية: 60 دورة |
|
| 9 | دليل على الاهتزاز |
تردد الاهتزاز: 10~55 هرتز؛ السعة: 1.5 مم؛ ثلاثة اتجاهات: 1H |
|
| 10 |
قدرة اللحام : أكثر من 80% من الجزء المغمور يجب أن تكون مغطاة لحام |
درجة حرارة اللحام: 235 ± 5 درجة مئوية وقت الغمر: 2~3S |
|
| 11 | مقاومة حرارة اللحام |
لحام الغمس: 260±5°C 5±1S اللحام اليدوي: 300±5°C 2~3S |
|
| 12 | موافقات السلامة | UL، CSA، VDE، ENEC، TUV، CE، KC، CQC | |
| 13 | شروط الاختبار |
درجة الحرارة المحيطة: 20±5 درجة مئوية الرطوبة النسبية: 65±5% ر ضغط الهواء: 86 ~ 106 كيلو باسكال |
|
ميزة وتطبيق Micro Switch
تفاصيل التبديل الجزئي
