كمنتج تمثيلي لمصنع Yueqing Tongda Wire Electric Factory الذي يجسد تكامل التوحيد القياسي والتخصيص الأساسي، تم تصميم Micro Switch للعصارة والمكنسة الكهربائية مع المبادئ الأساسية المتمثلة في "الاستقرار والموثوقية والتوافق مع المشهد". فهو يشتمل على 35 عامًا من خبرة الشركة في تصنيع المفاتيح، مما يحقق تحسينات متعددة في الأداء الكهربائي ومستويات الحماية وتجربة المستخدم. يمكن تطبيق المفتاح على نطاق واسع في سيناريوهات مثل توزيع الطاقة المنزلية الذكية، والمعدات المساعدة الصناعية، والأدوات الطبية الصغيرة، مما يجعله مكون التحكم المفضل في الدائرة الذي يوازن بين العالمية وإمكانات التخصيص.
التبديل الجزئيمقدمة
تستخدم المفاتيح الصغيرة (المعروفة أيضًا باسم المفاتيح المفاجئة) آلية محملة بنابض لتمكين التنشيط الفوري - لا يلزم الضغط التدريجي. يمكنهم فتح أو إغلاق نقاط الاتصال بسرعة، مما يضمن الأداء المستقر دون أي تأخير. بالنسبة للمشترين، يُترجم هذا إلى قدر أكبر من المتانة (تقليل تآكل التلامس) والدقة، وبالتالي منع مخاطر السلامة الناجمة عن المفاتيح المحشورة.
التبديل الجزئيطلب
تستخدم المفاتيح الصغيرة على نطاق واسع وموثوقة في الأداء، ويتم تطبيقها بشكل رئيسي في:
- الأجهزة المنزلية: أضواء الثلاجة، وأقفال أبواب فرن الميكروويف، ومفاتيح غطاء الغسالة، ومؤقتات محمصة الخبز.
- المعدات الصناعية: موديلات شديدة التحمل مناسبة للسيور الناقلة والآلات ولوحات التحكم (مقاومة للغبار والرطوبة).
- مجال السيارات: ماسحات الزجاج الأمامي، ومؤشرات فتح الباب جزئيًا - قادرة على تحمل الاهتزازات ودرجات الحرارة القصوى.
- الأجهزة الإلكترونية: مفاتيح مصغرة لأجهزة التحكم عن بعد وأجهزة التحكم في الألعاب (سريعة الاستجابة وطويلة الأمد).
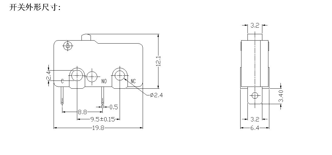
التبديل الجزئي مواصفة
| تبديل الخصائص التقنية: | |||
| غرض | المعلمة التقنية | قيمة | |
| 1 | التقييم الكهربائي | 5(2) أمبير 125 فولت/250 فولت تيار متردد 10(3)125 فولت/250 فولت تيار متردد | |
| 2 | اتصل بالمقاومة | ≥50mΩ القيمة الأولية | |
| 3 | مقاومة العزل | ≥100MΩ (500 فولت تيار مستمر) | |
| 4 |
عازل الجهد االكهربى |
بين محطات غير متصلة |
500 فولت/0.5 مللي أمبير/60 ثانية |
| بين المحطات والإطار المعدني |
1500 فولت/0.5 مللي أمبير/60 ثانية | ||
| 5 | الحياة الكهربائية | ≥10000 دورات | |
| 6 | الحياة الميكانيكية | ≥100000 دورات | |
| 7 | درجة حرارة التشغيل | -25 ~ 125 درجة مئوية | |
| 8 | تردد التشغيل | الكهربائية: 15 دورة ميكانيكية: 60 دورة |
|
| 9 | دليل على الاهتزاز | تردد الاهتزاز: 10 ~ 55 هرتز؛ السعة: 1.5 مم؛ ثلاثة اتجاهات: 1H |
|
| 10 | قدرة اللحام: أكثر من 80% من الجزء المغمور يجب أن تكون مغطاة لحام |
درجة حرارة اللحام: 235 ± 5 درجة مئوية وقت الغمر: 2~3S |
|
| 11 | مقاومة حرارة اللحام | لحام الغمس: 260±5°C 5±1S اللحام اليدوي: 300±5°C 2~3S |
|
| 12 | موافقات السلامة | UL، CSA، VDE، ENEC، CE | |
| 13 | شروط الاختبار | درجة الحرارة المحيطة: 20±5 درجة مئوية الرطوبة النسبية: 65±5% ر ضغط الهواء: 86 ~ 106 كيلو باسكال |
|
تونغدا سلك كهربائي مفتاح الطاقة المضمن USB الصغير تفاصيل
