LS تبديل الحد العالي الجودة للسكتة الدماغية هو مكون تحكم تلقائي ناتج عن الحركة الميكانيكية. تتمثل وظيفتها الأساسية في اكتشاف الإزاحة أو السكتة الدماغية للكائن لتحقيق فتح وإغلاق الدوائر ، أو بدء ووقف المعدات ، أو الحد من الحماية. إنه "حارس سلامة" و "قائد عمل" لا غنى عنه في الأتمتة الصناعية والمعدات الكهروميكانيكية.
يُحوّل مقدمةuction
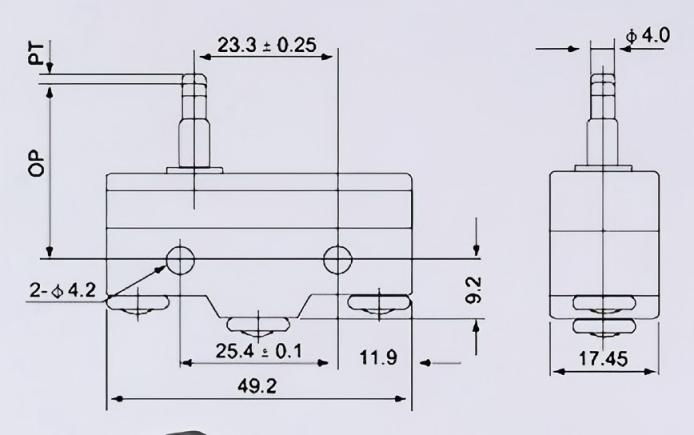
مفتاح السفر (المعروف أيضًا باسم مفتاح الحد) هو مكون تحكم تلقائي ناتج عن الحركة الميكانيكية. تتمثل وظيفتها الأساسية في اكتشاف الإزاحة أو السكتة الدماغية للكائن لتحقيق فتح وإغلاق الدوائر ، أو بدء ووقف المعدات ، أو الحد من الحماية. إنه "حارس سلامة" و "قائد عمل" لا غنى عنه في الأتمتة الصناعية والمعدات الكهروميكانيكية.
يُحوّل التطبيقنشوئها
نظام حزام النقل: يتم تثبيت مفاتيح الحد في نقاط البداية/النهاية للناقل. عندما يتم نقل قطعة العمل إلى الموضع المحدد ، يتم تشغيل المفتاح لإيقاف الناقل ، والتنسيق مع الذراع الآلية لأداء إجراءات الإمساك والفرز.
خط التجميع: يتم استخدامها لاكتشاف ما إذا كانت قطعة العمل في الموضع الصحيح. على سبيل المثال ، على خط مجموعة الأجهزة المنزلية ، عندما تنتقل القشرة الخارجية إلى محطة تشديد المسمار ، يؤدي المفتاح إلى بدء تشغيل آلة التشديد ، مما يضمن التنسيق الدقيق بين خطوات العملية.
يُحوّل تفاصيل
