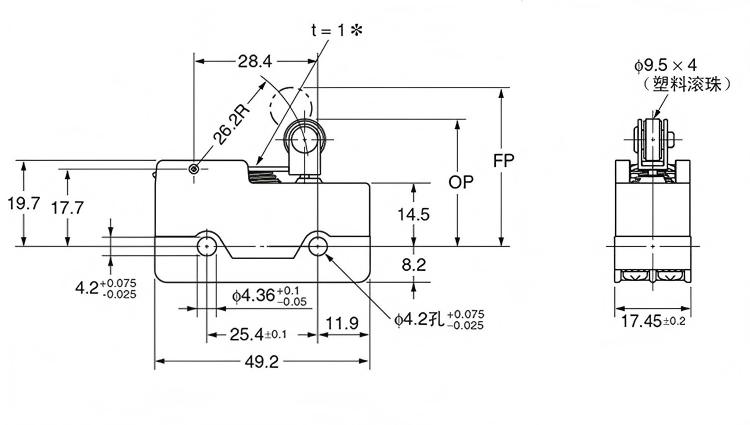
يعد مفتاح السفر المستقل ذو القطب المزدوج مكونًا تلقائيًا تحكمًا يتم تشغيله بواسطة الحركة الميكانيكية. تتمثل وظيفتها الأساسية في اكتشاف الإزاحة أو السكتة الدماغية للكائن لتحقيق فتح وإغلاق الدوائر ، أو بدء ووقف المعدات ، أو الحد من الحماية. إنه "حارس سلامة" و "قائد عمل" لا غنى عنه في الأتمتة الصناعية والمعدات الكهروميكانيكية.
يُحوّل مقدمةuction
مفتاح السفر (المعروف أيضًا باسم مفتاح الحد) هو مكون تحكم تلقائي ناتج عن الحركة الميكانيكية. تتمثل وظيفتها الأساسية في اكتشاف الإزاحة أو السكتة الدماغية للكائن لتحقيق فتح وإغلاق الدوائر ، أو بدء ووقف المعدات ، أو الحد من الحماية. إنه "حارس سلامة" و "قائد عمل" لا غنى عنه في الأتمتة الصناعية والمعدات الكهروميكانيكية.
يُحوّل التطبيقنشوئها
التطبيق في الأجهزة المنزلية والمنزل الذكي:
الغسالة:يتم تثبيت مفتاح الحد على باب غسالة تحميل أمامية. لن يبدأ الجهاز إلا عند إغلاق الباب تمامًا ويقوم المفتاح بتنشيط الدائرة ، مما يمنع تسرب المياه أو الملابس من التخلص منها أثناء التشغيل.
الثلاجة/الفرن:عند إغلاق باب الثلاجة ، يظهر المفتاح لإيقاف الضوء الداخلي. على العكس ، إذا لم يتم إغلاق باب الفرن بشكل آمن ، فسيقوم المفتاح بقطع الطاقة إلى عناصر التدفئة لمنع تسرب الحرارة.
يُحوّل تفاصيل
