باعتباره النموذج القياسي لسلسلة المفاتيح الصغيرة الخاصة بمصنع Yueqing Tongda Wire Electric Factory، فإن مفتاح الكشف عن الحد المفتوح عادة لفرن الميكروويف HK-14 يتميز بـ "الحساسية العالية، والعمر الطويل للغاية، والقدرة على التكيف متعدد السيناريوهات" كمزايا أساسية. من خلال دمج خبرة الشركة البالغة 35 عامًا في تصنيع المفاتيح، فقد أصبحت عنصر تحكم رئيسي في الأجهزة المنزلية وإلكترونيات السيارات والأتمتة الصناعية وغيرها من المجالات، وذلك بفضل الحد الأدنى من فجوة الاتصال وآلية العمل السريع. لقد تم اعتماد أدائها وموثوقيتها من قبل العديد من المنظمات الموثوقة في جميع أنحاء العالم، مما يضمن مكانتها السائدة في السوق المتخصصة.
مقدمة التبديل الجزئي
أنشأت Yueqing Tongda نظامًا شاملاً لإدارة الجودة يغطي العملية بأكملها بدءًا من "المواد الخام - الإنتاج - المنتجات النهائية". تخضع سلسلة HK-14 لـ 16 اختبارًا أساسيًا بدءًا من تخزين المواد الخام وحتى شحن المنتج النهائي، بما في ذلك اختبار مقاومة التلامس، واختبار أداء العزل، واختبار مقاومة الجهد، واختبار دورة درجة الحرارة العالية والمنخفضة، واختبار ضغط المتانة، واختبار رش الملح، واختبار الاهتزاز، والمزيد. لكل دفعة من المنتجات، يتم اختيار 3% عشوائيًا لاختبار الحد المدمر لضمان معدل نجاح المصنع بنسبة 100%. تم تجهيز الشركة بـ 20 خط إنتاج دقيق مؤتمت بالكامل، بالإضافة إلى معدات اختبار متقدمة عالميًا (مثل آلة قياس الإحداثيات Zeiss من ألمانيا واختبار الأداء الكهربائي Fluke من الولايات المتحدة الأمريكية) لضمان دقة المنتج واستقرار الأداء.
النماذج الشائعة النموذجية وسيناريوهات التطبيق:
HK-14-1X-16A-P-200: مفتوح بشكل طبيعي، 16 أمبير 250 فولت تيار متردد، قضيب مشغل أسطواني معدني - مناسب للتحكم في حدود السفر في خطوط إنتاج الأتمتة الصناعية، تصميم الأسطوانة يقلل من التآكل الميكانيكي
HK-14-1-16AP-715: مغلق عادة، 16 أمبير 250 فولت تيار متردد، قضيب مشغل أسطواني مفصلي قصير - مناسب للتشغيل الدقيق في معدات الاختبارات الطبية، تصميم مغلق عادة يضمن سلامة المعدات عند إيقاف تشغيلها
HK-14-16AP-605: نوع التحويل، 16 أمبير 250 فولت تيار متردد، تصميم واسع لدرجة الحرارة - مناسب لمفاتيح مراقبة درجة الحرارة في مجموعات بطاريات مركبات الطاقة الجديدة، نطاق درجة حرارة واسع -40 درجة مئوية ~ 125 درجة مئوية يناسب البيئات القاسية على متن السيارة
HK-14-1X-5A-320: مفتوح عادة، 5 أمبير 250 فولت تيار متردد، قضيب تشغيل من نوع الزر - مناسب لمفاتيح أبواب فرن الميكروويف، ضغط سريع الاستجابة، حماية أمان عالية المستوى
سيناريوهات التطبيق
الأجهزة المنزلية: التحكم في باب الميكروويف، التحكم في برنامج الغسالة، تعديل سرعة مروحة المكيف، مما يضمن التشغيل الآمن للمعدات
الأتمتة الصناعية: تحديد موقع خط الإنتاج، التحكم في حدود الروبوت، التحكم في بدء تشغيل الناقل، تحسين كفاءة الإنتاج بنسبة 35%
إلكترونيات السيارات: رفع نافذة السيارة، تعديل المقعد، استشعار صندوق السيارة، مناسب للبيئات القاسية داخل السيارة
الأجهزة الطبية: التحكم في المعدات الجراحية، وتفعيل إشارة أداة الكشف، وتلبية معايير السلامة الطبية
الصناعة العسكرية: التحكم في معدات الأسلحة، وتبديل أجهزة الاتصالات، والتكيف مع ظروف العمل القاسية ومتطلبات الموثوقية العالية
معلمة التبديل الجزئي (المواصفات)
| تبديل الخصائص التقنية: | |||
| غرض | المعلمة التقنية | قيمة | |
| 1 | التقييم الكهربائي | 5(2)أ/10أ/16(3)أ/21(8)أ 250 فولت تيار متردد | |
| 2 | اتصل بالمقاومة | ≥30mΩ القيمة الأولية | |
| 3 | مقاومة العزل | ≥100MΩ (500VDC) | |
| 4 |
عازل الجهد االكهربى |
بين محطات غير متصلة |
1000 فولت/0.5 مللي أمبير/60 ثانية |
|
بين المحطات والإطار المعدني |
3000 فولت/0.5 مللي أمبير/60 ثانية | ||
| 5 | الحياة الكهربائية | ≥50000 دورات | |
| 6 | الحياة الميكانيكية | ≥1000000 دورات | |
| 7 | درجة حرارة التشغيل | -25 ~ 125 درجة مئوية | |
| 8 | تردد التشغيل |
الكهربائية: 15 دورة ميكانيكية: 60 دورة |
|
| 9 | دليل على الاهتزاز |
تردد الاهتزاز: 10~55 هرتز؛ السعة: 1.5 مم؛ ثلاثة اتجاهات: 1H |
|
| 10 |
قدرة اللحام : أكثر من 80% من الجزء المغمور يجب أن تكون مغطاة لحام |
درجة حرارة اللحام: 235 ± 5 درجة مئوية وقت الغمر: 2~3S |
|
| 11 | مقاومة حرارة اللحام |
لحام الغمس: 260±5°C 5±1S اللحام اليدوي: 300±5°C 2~3S |
|
| 12 | موافقات السلامة | UL، CSA، VDE، ENEC، TUV، CE، KC، CQC | |
| 13 | شروط الاختبار |
درجة الحرارة المحيطة: 20±5 درجة مئوية الرطوبة النسبية: 65±5% ر ضغط الهواء: 86 ~ 106 كيلو باسكال |
|
ميزة وتطبيق Micro Switch
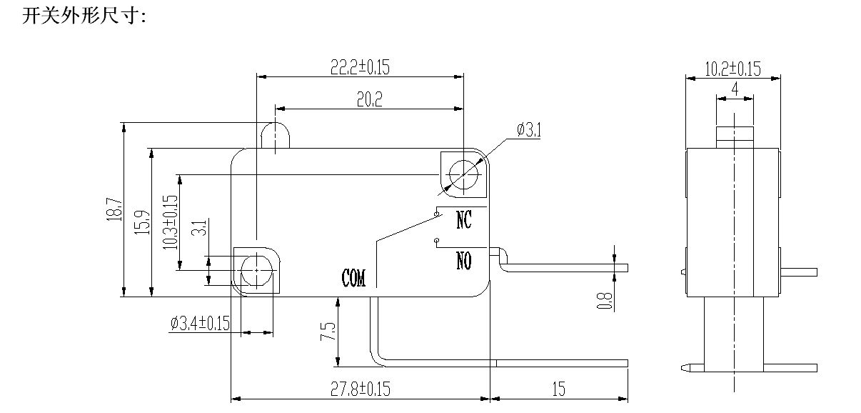
تفاصيل التبديل الجزئي

