باعتباره النموذج القياسي لسلسلة المفاتيح الصغيرة لمحطة يويهتشينغ تونغدا لتوليد الطاقة بالكابلات، يتميز HK-14 بـ "الحساسية العالية، والعمر الطويل للغاية، والقدرة على التكيف متعدد السيناريوهات" كمزايا أساسية. من خلال دمج خبرة الشركة البالغة 35 عامًا في تصنيع المفاتيح، فقد أصبحت عنصر تحكم رئيسي في الأجهزة المنزلية وإلكترونيات السيارات والأتمتة الصناعية وغيرها من المجالات، وذلك بفضل الحد الأدنى من فجوة الاتصال وآلية العمل السريع. لقد تم اعتماد أدائها وموثوقيتها من قبل العديد من المنظمات الموثوقة في جميع أنحاء العالم، مما يضمن مكانتها السائدة في السوق المتخصصة.
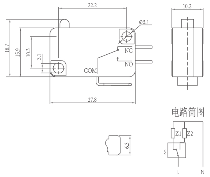
مقدمة التبديل الجزئي
تشغيل دقيق بالمللي ثانية: يستخدم آلية سريعة الحركة مع مسافة قصيرة من 0.5 إلى 1.6 ملم وقوة تشغيل قابلة للتعديل تبلغ 0.25 إلى 4 نيوتن، مما يوفر استجابة سريعة وخالية من التأخير لمنع "المشغلات الكاذبة" بشكل فعال. مناسبة للسيناريوهات عالية الدقة مثل أدوات التحكم في أبواب فرن الميكروويف وأجهزة الاستشعار الصناعية.
جودة فائقة التحمل: توفر وصلات السبائك عالية التوصيل المقترنة بهيكل معزز عمرًا ميكانيكيًا يتجاوز مليون دورة وعمرًا كهربائيًا يزيد عن 50000 دورة. مثالي للتشغيل المستقر على المدى الطويل في بيئات الاستخدام عالية التردد مثل إلكترونيات السيارات والأدوات الكهربائية.
القدرة على التكيف البيئي على نطاق واسع: تعمل تحت نطاق درجة حرارة واسع من -25 درجة مئوية إلى 125 درجة مئوية، وتتحمل الاهتزازات عالية التردد من 10 إلى 55 هرتز، وتتميز بمقاومة العزل ≥100MΩ، وجهد تحمل طرفي يبلغ 1000 فولت تيار متردد. أداء موثوق في الظروف القاسية مثل اهتزازات الورش الصناعية ودرجات الحرارة المرتفعة في حجرات محركات السيارات.
معلمة التبديل الجزئي (المواصفات)
| تبديل الخصائص التقنية: | |||
| غرض | المعلمة التقنية | قيمة | |
| 1 | التقييم الكهربائي | 5(2)أ/10أ/16(3)أ/21(8)أ 250 فولت تيار متردد | |
| 2 | اتصل بالمقاومة | ≥30mΩ القيمة الأولية | |
| 3 | مقاومة العزل | ≥100MΩ (500VDC) | |
| 4 |
عازل الجهد االكهربى |
بين محطات غير متصلة |
1000 فولت/0.5 مللي أمبير/60 ثانية |
| بين المحطات والإطار المعدني |
3000 فولت/0.5 مللي أمبير/60 ثانية | ||
| 5 | الحياة الكهربائية | ≥50000 دورات | |
| 6 | الحياة الميكانيكية | ≥1000000 دورات | |
| 7 | درجة حرارة التشغيل | -25 ~ 125 درجة مئوية | |
| 8 | تردد التشغيل | الكهربائية: 15 دورة ميكانيكية: 60 دورة |
|
| 9 | دليل على الاهتزاز | تردد الاهتزاز: 10~55 هرتز؛ السعة: 1.5 مم؛ ثلاثة اتجاهات: 1H |
|
| 10 | قدرة اللحام: أكثر من 80% من الجزء المغمور يجب أن تكون مغطاة لحام |
درجة حرارة اللحام: 235 ± 5 درجة مئوية وقت الغمر: 2~3S |
|
| 11 | مقاومة حرارة اللحام | Sakelar tombol tekan adalah komponen elektronik umum yang digunakan untuk mengontrol keadaan hidup dan mati suatu rangkaian. Biasanya terdiri dari sebuah tombol dan saklar yang berubah keadaan ketika tombol ditekan. اللحام اليدوي: 300±5°C 2~3S |
|
| 12 | موافقات السلامة | UL، CSA، VDE، ENEC، TUV، CE، KC، CQC | |
| 13 | شروط الاختبار | درجة الحرارة المحيطة: 20±5 درجة مئوية الرطوبة النسبية: 65±5% ر ضغط الهواء: 86 ~ 106 كيلو باسكال |
|
ميزة وتطبيق Micro Switch
تفاصيل التبديل الجزئي


