كمنتج تمثيلي لمحطة توليد الطاقة بالكابلات Yueqing Tongda التي تجسد تكامل التوحيد القياسي والتخصيص الأساسي، تم تصميم مفتاح التبديل الصغير لسخان المياه بالغاز وموقد الغاز مع المبادئ الأساسية المتمثلة في "الاستقرار والموثوقية والتوافق مع المشهد". فهو يشتمل على 35 عامًا من خبرة الشركة في تصنيع المفاتيح، مما يحقق تحسينات متعددة في الأداء الكهربائي ومستويات الحماية وتجربة المستخدم. يمكن تطبيق المفتاح على نطاق واسع في سيناريوهات مثل توزيع الطاقة المنزلية الذكية، والمعدات المساعدة الصناعية، والأدوات الطبية الصغيرة، مما يجعله مكون التحكم المفضل في الدائرة الذي يوازن بين العالمية وإمكانات التخصيص.
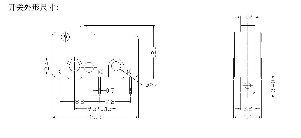
التبديل الجزئيمقدمة
يركز المفتاح HK-04G-L على المتطلبات العملية للمعلمات الرئيسية، مما يلبي معايير التحكم الأساسية لمختلف السيناريوهات. يتم تصنيع نقاط الاتصال من سبائك الفضة والقصدير ويتم معالجتها بلحام دقيق، مع مقاومة اتصال أولية تبلغ ≥8mΩ. يمكن أن يحمل بشكل موثوق تيار تيار متردد 10A-16A (الجهد المقنن 250 فولت تيار متردد)، مناسب لمتطلبات الطاقة لمعظم الأجهزة المنزلية والصناعية الصغيرة، ويمنع بشكل فعال مشكلات ارتفاع درجة حرارة التلامس أو التآكل الناجم عن الحمل الزائد الحالي.
يتميز أداء الزناد والعمر الافتراضي بنفس القدر من الموثوقية: فهو يستخدم هيكل الزناد من النوع المتأرجح، مع مسافة ضغط تبلغ 1.3-1.6 ملم وقوة تشغيل يتم التحكم فيها ضمن 1.5-3 نيوتن. ردود فعل التنشيط واضحة وسلسة، مما يجعل الاستخدام اليومي من غير المرجح أن يواجه "ضغطًا غير مستجيب". يصل العمر الميكانيكي إلى 80,000 دورة ضغط، والعمر الكهربائي يتجاوز 50,000 دورة. في الأجهزة ذات الاستخدام عالي التردد مثل الثلاجات، والمراوح الصغيرة، والطابعات التجارية، يمكنها تحقيق تشغيل مستقر لمدة 3-5 سنوات.
تلبي القدرة على التكيف البيئي متطلبات السيناريو التقليدية: يعمل المنتج في نطاق درجة حرارة يتراوح من -30 درجة مئوية إلى 80 درجة مئوية، وهو قادر على التعامل مع درجات الحرارة المنخفضة في الشتاء الشمالي وظروف تبديد الحرارة في الصيف؛ مقاومة العزل هي ≥50MΩ (500VDC)، ويصل تحمل الجهد الطرفي إلى 800V AC، مما يلبي معايير السلامة الكهربائية للاستخدام المنزلي والتجاري. بالإضافة إلى ذلك، فإن الغلاف مصنوع من مادة ABS المقاومة للهب (متوافقة مع UL94 V-1)، مما يقلل من مخاطر السلامة الناجمة عن دوائر قصر الدائرة.
التبديل الجزئيطلب
في سيناريوهات المنزل والمنزل الذكي، يمكن دمج HK-04G-L، بحجمه الصغير (حوالي 20 × 15 × 10 مم، طول × عرض × ارتفاع)، بسهولة في صناديق التوزيع الذكية، والمقابس المثبتة على الحائط، ولوحات التحكم في الأجهزة الصغيرة. لقد أصبح حاليًا أحد المكونات المستخدمة من قبل العديد من العلامات التجارية المحلية للمنزل الذكي لوظائف مثل التحكم في الإضاءة وتبديل طاقة الأجهزة. وذكرت إحدى العلامات التجارية أن معدل فشل المنتجات المجهزة بها أقل بنسبة 40% من المفاتيح التقليدية.
في السيناريوهات الصناعية والتجارية صغيرة الحجم، يكون المنتج مناسبًا للتحكم في الطاقة لمعدات النقل الصغيرة وآلات القهوة التجارية والطابعات المكتبية والأجهزة الأخرى. من خلال تحسين هيكل التوصيل الطرفي، فإنه يدعم تركيب الأسلاك السريع، مما يعزز كفاءة تجميع الجهاز. في السابق، كانت النسخة المخصصة لشركة تصنيع الأجهزة التجارية، من خلال ضبط التباعد الطرفي، تلبي متطلبات الأسلاك الداخلية المدمجة لمعداتها، مما أدى إلى تحسين كفاءة التثبيت بنسبة 25%.
التبديل الجزئي مواصفة
| تبديل الخصائص التقنية: | |||
| غرض | المعلمة التقنية | قيمة | |
| 1 | التقييم الكهربائي | 5(2) أمبير 125 فولت/250 فولت تيار متردد 10(3)125 فولت/250 فولت تيار متردد | |
| 2 | اتصل بالمقاومة | ≥50mΩ القيمة الأولية | |
| 3 | مقاومة العزل | ≥100MΩ (500 فولت تيار مستمر) | |
| 4 |
عازل الجهد االكهربى |
بين محطات غير متصلة |
500 فولت/0.5 مللي أمبير/60 ثانية |
| بين المحطات والإطار المعدني |
1500 فولت/0.5 مللي أمبير/60 ثانية | ||
| 5 | الحياة الكهربائية | ≥10000 دورات | |
| 6 | الحياة الميكانيكية | ≥100000 دورات | |
| 7 | درجة حرارة التشغيل | -25 ~ 125 درجة مئوية | |
| 8 | تردد التشغيل | الكهربائية: 15 دورة ميكانيكية: 60 دورة |
|
| 9 | دليل على الاهتزاز | تردد الاهتزاز: 10 ~ 55 هرتز؛ السعة: 1.5 مم؛ ثلاثة اتجاهات: 1H |
|
| 10 | قدرة اللحام : أكثر من 80% من الجزء المغمور يجب أن تكون مغطاة لحام |
درجة حرارة اللحام: 235 ± 5 درجة مئوية وقت الغمر: 2~3S |
|
| 11 | مقاومة حرارة اللحام | لحام الغمس: 260±5°C 5±1S اللحام اليدوي: 300±5°C 2~3S |
|
| 12 | موافقات السلامة | UL، CSA، VDE، ENEC، CE | |
| 13 | شروط الاختبار | درجة الحرارة المحيطة: 20±5 درجة مئوية الرطوبة النسبية: 65±5% ر ضغط الهواء: 86 ~ 106 كيلو باسكال |
|
تونغدا سلك كهربائي مفتاح الطاقة المضمن USB الصغير تفاصيل

