باعتبارها شركة متخصصة في التبديل الجزئي المتين مع Press-Fit وSoldering Tabs مع 35 عامًا من الخبرة في تصنيع المحولات، يركز مصنع Yueqing Tongda Wire Electric Factory على "التخصيص القائم على الطلب، والتكنولوجيا التي تضمن السلامة"، مع التركيز على المنتجات الرئيسية مثل Rocker Switches، وRed Button Pushes، وMicro Switches NO/NC، وPush Button NCs، ويوفر حلول مفاتيح مخصصة لمختلف المجالات بما في ذلك القطاعات الصناعية والمنزلية الذكية والطبية والبحرية. بفضل الابتكار التكنولوجي ومراقبة الجودة الصارمة، فقد أصبح معيارًا في مجال المفاتيح المخصصة.
مقدمة التبديل الجزئي

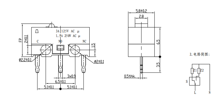
معلمة التبديل الجزئي (المواصفات)
| غرض | المعلمات التقنية الرئيسية |
| 1 | التقييم الكهربائي: 3 أمبير 250 فولت تيار متردد |
| 2 | العمر الكهربائي: دورات Min.10000 |
| 3 | مقاومة الاتصال:<50mΩ |
| 4 | قوة التشغيل: 70±20gf |
| 5 | الوضع الحر: 7.3±0.2 ملم |
| 6 | موقف التشغيل: 7.0 ± 0.2 مم |
| 7 | درجة الحرارة المحيطة: T85 درجة |
| 8 | تحمل الجهد: بين المحطة والمحطة 500 فولت/5 ثانية/5 مللي أمبير ؛ |
| بين المحطات والحالة 1500/5S/5mA | |
| 9 | مقاومة العزل:> 100 ميجا أوم اختبار الجهد 500 فولت تيار مستمر |
| 10 | مؤشر تتبع الدليل PTI: 175 فولت |
تفاصيل التبديل الجزئي
